- 變頻調速用電抗器系列
- 濾波補償用電抗器系列
- 空心電抗器系列產品
- 太陽能、風能用電抗器系列
- 鐵路、機車傳動用電抗器系列
- 有源濾波、SVG行業用電抗器系列
- 磁控可調電抗器
- 啟動電抗器系列
- 船用發電機負載檢測裝置及電抗器
- 濾波補償成套裝置
- 濾波器系列
- 變壓器系列
- 放電線圈
直流電抗器

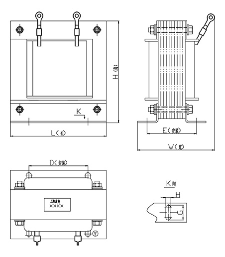
外形圖
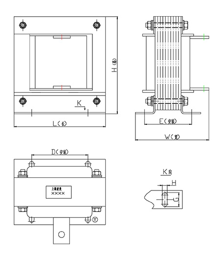
外形圖
一、產品概述:
直流電抗器主要用于變頻器及整流電路中,用以提高功率因數及濾除紋波電壓電流干擾之用,我廠生產的直流電抗器采用優質進口冷軋矽鋼片精制而成,具有體積小、溫升低、噪音小等特點,電流規格從2A-10KA不等,電壓從220V-10KV范圍,部分規格備有現貨,歡迎廣大客戶來電咨詢。
二、產品說明:
1. 額定工作電壓:DC500V~DC540V
2. 抗電強度:鐵芯-繞阻2500VAC/50Hz/5mA/60S無飛弧擊穿;
3. 絕緣電阻:鐵芯-繞組500VDC,絕緣阻值≥100MΩ;
4. 電抗器噪音小于65dB(與電抗器水平距離點1米測試);
5. 溫升小于70K;
6. 產品執行標準:IEC289:1987電抗器
GB10229-88電抗器(eqvIEC289:1987)
JB9644-1999半導體電氣傳動用電抗器
直流電抗器技術參數表
|
產品規格型號 |
外形尺寸長*寬*高 (mm) |
安裝尺寸 (mm) |
產品規格型號 |
外形尺寸長*寬*高 (mm) |
安裝尺寸 (mm) |
|
DLK---單相直流電抗器 |
DLK---單相直流電抗器 |
||||
|
15.2V 10A |
130*90*120 |
79*65 |
15.2V 150A |
310*170*250 |
120*100 |
|
15.2V 15A |
130*90*120 |
79*65 |
15.2V 180A |
310*170*250 |
120*100 |
|
15.2V 20A |
130*90*140 |
79*65 |
15.2V 200A |
310*170*250 |
120*100 |
|
15.2V 25A |
130*90*140 |
79*65 |
15.2V 250A |
310*190*250 |
120*110 |
|
15.2V 30A |
130*115*140 |
79*85 |
15.2V 270A |
310*210*250 |
120*130 |
|
15.2V 35A |
130*115*140 |
79*85 |
15.2V 360A |
310*210*250 |
200*130 |
|
15.2V 40A |
250*130*180 |
120*75 |
15.2V 450A |
310*250*270 |
200*135 |
|
15.2V 50A |
250*130*180 |
120*75 |
15.2V 600A |
340*250*330 |
200*135 |
|
15.2V 60A |
250*140*180 |
120*75 |
15.2V 720A |
430*260*330 |
200*155 |
|
15.2V 70A |
250*140*180 |
120*75 |
15.2V 800A |
430*260*330 |
200*155 |
|
15.2V 80A |
250*150*180 |
120*85 |
15.2V 1000A |
430*280*330 |
200*165 |
|
15.2V 90A |
250*150*180 |
120*85 |
15.2V 1200A |
430*280*380 |
200*165 |
|
15.2V 110A |
310*150*200 |
120*90 |
15.2V 1500A |
430*280*380 |
200*165 |
如需其它規格,請來電咨詢。





