產品展示
您的當前位置: 首頁 >>產品展示 >> 變頻調速用電抗器系列
- 變頻調速用電抗器系列
- 濾波補償用電抗器系列
- 空心電抗器系列產品
- 太陽能、風能用電抗器系列
- 鐵路、機車傳動用電抗器系列
- 有源濾波、SVG行業用電抗器系列
- 磁控可調電抗器
- 啟動電抗器系列
- 船用發電機負載檢測裝置及電抗器
- 濾波補償成套裝置
- 濾波器系列
- 變壓器系列
- 放電線圈
客服熱線
021-54332716
E-mail:shbl@m.p4791.com
上海市奉賢區奉城鎮神州路580號
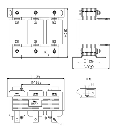
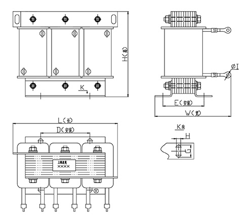
輸入輸出電抗器

外形圖
外形圖
變頻調速用輸入輸出電抗器:變頻器和調速器在使用過程中,經常會受到來自浪涌電流和浪涌電壓的沖擊,會嚴重損壞變頻器和調速器的性能和使用壽命,所以要在其前面加裝輸入電抗器,用以抑制浪涌電壓和浪涌電流,保護變頻器和調速器,延長其使用壽命和防止諧波干擾,同時由于變頻器和調速器是采用變頻的方式調速的,所以在調速的時候經常會產生高次諧波和產生波形畸變,會影響設備正常使用,為此,須在輸出端加裝一個輸出電抗器,用于濾出諧波電壓和諧波電流,改善電網質量,我廠生產的輸入輸出系列電抗器,采用優質進口矽鋼片和優質銅線經先進的工藝精制而成,具有體積小、溫升低、無噪音等特點,以下是該類型電抗器的一些技術指標
| 序號 | 產品代碼 | 產品名稱 | 產品型號 | 變頻器功率(KW) | 電感測試 | 外形尺寸 | 安裝尺寸 | 安裝孔徑 | 鐵芯 | 材質 |
| 1 | 20E0001b-1 | 輸入電抗器 | AKSG-20A/4.4V | 11KW | 20A/4.4V | 155*110*140 | 80*70 | 15*7 | 50W470 | 鋁箔 |
| 2 | 20T0002b-1 | AKSG-30A/4.4V | 15KW | 30A/4.4V | 190*120*150 | 110*75 | 15*7 | |||
| 3 | 20T0003b-1 | AKSG-45A/4.4V | 22KW | 45A/4.4V | 190*120*150 | 110*75 | 15*7 | |||
| 4 | 20T0004b-1 | AKSG-61A/4.4V | 30KW | 61A/4.4V | 190*120*165 | 110*75 | 15*7 | |||
| 5 | 20T0005b-1 | AKSG-75A/4.4V | 37KW | 75A/4.4V | 190*130*165 | 110*85 | 15*7 | |||
| 6 | 20T0006b-1 | AKSG-92A/4.4V | 45KW | 92A/4.4V | 205*140*190 | 130*110 | 15*7 | |||
| 7 | 20T0007b-1 | AKSG-115A/4.4V | 55KW | 115A/4.4V | 205*140*190 | 130*110 | 15*7 | |||
| 8 | 20T0008b-1 | AKSG-152A/4.4V | 75KW | 152A/4.4V | 205*160*190 | 130*120 | 15*7 | |||
| 9 | 20T0009b-1 | AKSG-185A/4.4V | 90KW | 185A/4.4V | 240*160*205 | 130*110 | 20*10 | |||
| 10 | 20T0010b-1 | AKSG-225A/4.4V | 110KW | 225A/4.4V | 260*170*220 | 150*110 | 20*10 | |||
| 11 | 20T0011b-1 | AKSG-270A/4.4V | 132KW | 270A/4.4V | 260*180*235 | 150*120 | 20*10 | |||
| 12 | 20T0012b-1 | AKSG-330A/4.4V | 160KW | 330A/4.4V | 260*180*235 | 150*120 | 20*10 | |||
| 13 | 20T0013b-1 | AKSG-400A/4.4V | 200KW | 400A/4.4V | 260*180*260 | 150*120 | 20*10 | |||
| 14 | 20T0014b-1 | AKSG-500A/4.4V | 250KW | 500A/4.4V | 290*210*300 | 170*130 | 20*10 | |||
| 15 | 20T0015b-1 | AKSG-625A/4.4V | 315KW | 625A/4.4V | 330*230*310 | 200*150 | 20*10 | |||
| 16 | 20T0016b-1 | AKSG-810A/4.4V | 400KW | 810A/4.4V | 350*260*345 | 230*160 | 20*10 | |||
| 17 | 20T0017b-1 | AKSG-1000A/4.4V | 500KW | 1000A/4.4V | 390*280*390 | 230*175 | 20*10 | |||
| 18 | 20T0018b-1 | AKSG-1400A/4.4V | 710KW | 1400A/4.4V | 390*310*440 | 250*195 | 20*10 | 35W270 | ||
| 19 | 20T0019b-1 | AKSG-1600A/4.4V | 800KW | 1600A/4.4V | 390*310*440 | 250*195 | 20*10 | |||
| 1 | 20E0020b-1 | 輸出電抗器 | AKSG-20A/2.2V | 11KW | 20A/2.2V | 155*110*140 | 80*70 | 15*7 | 50W470 | 鋁箔 |
| 2 | 20E0021b-1 | AKSG-30A/2.2V | 15KW | 30A/2.2V | 155*110*140 | 80*70 | 15*7 | |||
| 3 | 20T0022b-1 | AKSG-45A/2.2V | 22KW | 45A/2.2V | 190*120*150 | 110*75 | 15*7 | |||
| 4 | 20T0023b-1 | AKSG-61A/2.2V | 30KW | 61A/2.2V | 190*120*150 | 110*75 | 15*7 | |||
| 5 | 20T0024b-1 | AKSG-75A/2.2V | 37KW | 75A/2.2V | 190*120*150 | 110*75 | 15*7 | |||
| 6 | 20T0025b-1 | AKSG-92A/2.2V | 45KW | 92A/2.2V | 190*120*165 | 110*75 | 15*7 | |||
| 7 | 20T0026b-1 | AKSG-115A/2.2V | 55KW | 115A/2.2V | 190*120*165 | 110*75 | 15*7 | |||
| 8 | 20T0027b-1 | AKSG-152A/2.2V | 75KW | 152A/2.2V | 205*140*190 | 130*110 | 15*7 | |||
| 9 | 20T0028b-1 | AKSG-185A/2.2V | 90KW | 185A/2.2V | 205*150*190 | 130*110 | 15*7 | |||
| 10 | 20T0029b-1 | AKSG-225A/2.2V | 110KW | 225A/2.2V | 240*160*205 | 130*110 | 20*10 | |||
| 11 | 20T0030b-1 | AKSG-270A/2.2V | 132KW | 270A/2.2V | 240*160*205 | 130*110 | 20*10 | |||
| 12 | 20T0031b-1 | AKSG-330A/2.2V | 160KW | 330A/2.2V | 240*170*205 | 130*110 | 20*10 | |||
| 13 | 20T0032b-1 | AKSG-400A/2.2V | 200KW | 400A/2.2V | 260*180*225 | 150*110 | 20*10 | |||
| 14 | 20T0033b-1 | AKSG-500A/2.2V | 250KW | 500A/2.2V | 260*190*260 | 150*110 | 20*10 | |||
| 15 | 20T0034b-1 | AKSG-625A/2.2V | 315KW | 625A/2.2V | 290*210*280 | 170*130 | 20*10 | |||
| 16 | 20T0035b-1 | AKSG-810A/2.2V | 400KW | 810A/2.2V | 300*240*295 | 180*150 | 20*10 | |||
| 17 | 20T0036b-1 | AKSG-1000A/2.2V | 500KW | 1000A/2.2V | 300*250*345 | 180*160 | 20*10 | |||
| 18 | 20T0037b-1 | AKSG-1400A/2.2V | 710KW | 1400A/2.2V | 390*280*440 | 250*155 | 20*10 | 35W270 | ||
| 19 | 20T0038b-1 | AKSG-1600A/2.2V | 1600A/2.2V | 390*280*440 | 250*155 | 20*10 | ||||
| 1 | 20E0039d-1 | 輸入電抗器 | AKSG-20A/4.4V | 11KW | 20A/4.4V | 155*110*140 | 80*70 | 15*7 | 50W470 | 銅箔 |
| 2 | 20E0040d-1 | AKSG-30A/4.4V | 15KW | 30A/4.4V | 155*110*140 | 80*80 | 15*7 | |||
| 3 | 20T0041d-1 | AKSG-45A/4.4V | 22KW | 45A/4.4V | 190*120*150 | 110*75 | 15*7 | |||
| 4 | 20T0042d-1 | AKSG-61A/4.4V | 30KW | 61A/4.4V | 190*130*165 | 110*85 | 15*7 | |||
| 5 | 20T0043d-1 | AKSG-75A/4.4V | 37KW | 75A/4.4V | 190*140*165 | 110*95 | 15*7 | |||
| 6 | 20T0044d-1 | AKSG-92A/4.4V | 45KW | 92A/4.4V | 190*140*165 | 110*95 | 15*7 | |||
| 7 | 20T0045d-1 | AKSG-115A/4.4V | 55KW | 115A/4.4V | 205*160*190 | 130*120 | 15*7 | |||
| 8 | 20T0046d-1 | AKSG-152A/4.4V | 75KW | 152A/4.4V | 210*160*200 | 130*110 | 20*10 | |||
| 9 | 20T0047d-1 | AKSG-185A/4.4V | 90KW | 185A/4.4V | 210*160*200 | 130*110 | 20*10 | |||
| 10 | 20T0048d-1 | AKSG-225A/4.4V | 110KW | 225A/4.4V | 210*170*200 | 130*110 | 20*10 | |||
| 11 | 20T0049d-1 | AKSG-270A/4.4V | 132KW | 270A/4.4V | 230*190*230 | 130*130 | 20*10 | |||
| 12 | 20T0050d-1 | AKSG-330A/4.4V | 160KW | 330A/4.4V | 230*190*230 | 130*130 | 20*10 | |||
| 13 | 20T0051d-1 | AKSG-400A/4.4V | 200KW | 400A/4.4V | 230*190*230 | 130*130 | 20*10 | |||
| 14 | 20T0052d-1 | AKSG-500A/4.4V | 250KW | 500A/4.4V | 260*210*290 | 193*135 | 20*10 | |||
| 15 | 20T0053d-1 | AKSG-625A/4.4V | 315KW | 625A/4.4V | 260*220*340 | 193*135 | 20*10 | |||
| 16 | 20T0054d-1 | AKSG-810A/4.4V | 400KW | 810A/4.4V | 310*260*360 | 200*175 | 20*10 | |||
| 17 | 20T0055d-1 | AKSG-1000A/4.4V | 500KW | 1000A/4.4V | 310*260*360 | 200*175 | 20*10 | |||
| 18 | 20T0056d-1 | AKSG-1400A/4.4V | 710KW | 1400A/4.4V | 390*320*440 | 250*205 | 20*10 | 35W270 | ||
| 19 | 20T0057d-1 | AKSG-1600A/4.4V | 1600A/4.4V | 390*320*440 | 250*205 | 20*10 | ||||
| 1 | 20E0058d-1 | 輸出電抗器 | AKSG-20A/2.2V | 11KW | 20A/2.2V | 155*100*140 | 80*70 | 15*7 | 50W470 | 銅箔 |
| 2 | 20E0059d-1 | AKSG-30A/2.2V | 15KW | 30A/2.2V | 155*100*140 | 80*70 | 15*7 | |||
| 3 | 20T0060d-1 | AKSG-45A/2.2V | 22KW | 45A/2.2V | 190*120*150 | 110*75 | 15*7 | |||
| 4 | 20T0061d-1 | AKSG-61A/2.2V | 30KW | 61A/2.2V | 190*120*165 | 110*75 | 15*7 | |||
| 5 | 20T0062d-1 | AKSG-75A/2.2V | 37KW | 75A/2.2V | 190*120*165 | 110*75 | 15*7 | |||
| 6 | 20T0063d-1 | AKSG-92A/2.2V | 45KW | 92A/2.2V | 190*130*165 | 110*85 | 15*7 | |||
| 7 | 20T0064d-1 | AKSG-115A/2.2V | 55KW | 115A/2.2V | 190*140*165 | 110*95 | 15*7 | |||
| 8 | 20T0065d-1 | AKSG-152A/2.2V | 75KW | 152A/2.2V | 205*160*195 | 130*120 | 15*7 | |||
| 9 | 20T0066d-1 | AKSG-185A/2.2V | 90KW | 185A/2.2V | 205*160*195 | 130*120 | 15*7 | |||
| 10 | 20T0067d-1 | AKSG-225A/2.2V | 110KW | 225A/2.2V | 210*160*200 | 130*110 | 20*10 | |||
| 11 | 20T0068d-1 | AKSG-270A/2.2V | 132KW | 270A/2.2V | 210*160*200 | 130*110 | 20*10 | |||
| 12 | 20T0069d-1 | AKSG-330A/2.2V | 160KW | 330A/2.2V | 210*160*200 | 130*110 | 20*10 | |||
| 13 | 20T0070d-1 | AKSG-400A/2.2V | 200KW | 400A/2.2V | 230*170*230 | 170*130 | 20*10 | |||
| 14 | 20T0071d-1 | AKSG-500A/2.2V | 250KW | 500A/2.2V | 230*180*230 | 170*130 | 20*10 | |||
| 15 | 20T0072d-1 | AKSG-625A/2.2V | 315KW | 625A/2.2V | 260*210*290 | 193*140 | 20*10 | |||
| 16 | 20T0073d-1 | AKSG-810A/2.2V | 400KW | 810A/2.2V | 260*210*290 | 193*140 | 20*10 | |||
| 17 | 20T0074d-1 | AKSG-1000A/2.2V | 500KW | 1000A/2.2V | 310*240*360 | 200*150 | 20*10 | |||
| 18 | 20T0075d-1 | AKSG-1400A/2.2V | 710KW | 1400A/2.2V | 340*320*400 | 220*205 | 20*10 | 35W270 | ||
| 19 | 20T0076d-1 | AKSG-1600A/2.2V | 1600A/2.2V | 340*320*400 | 220*205 | 20*10 |
以上參數為典型值供參考,可根據客戶要求定做,我公司保留對數據的變更權利
如需其他規格,請來電咨詢!





